
Product features
AC variable frequency DC voltage regulation control
Special interface is connected with elevator system for electronics and variable frequency
Opening voltage in electronic mode:AC 80V
Operating voltage in variable frequency mode: AC 220V
Door lock function
Directly mounted on the straight beam of car
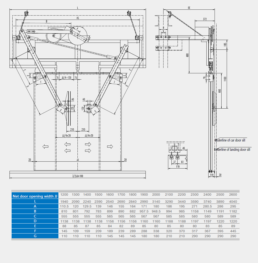
Product Description
